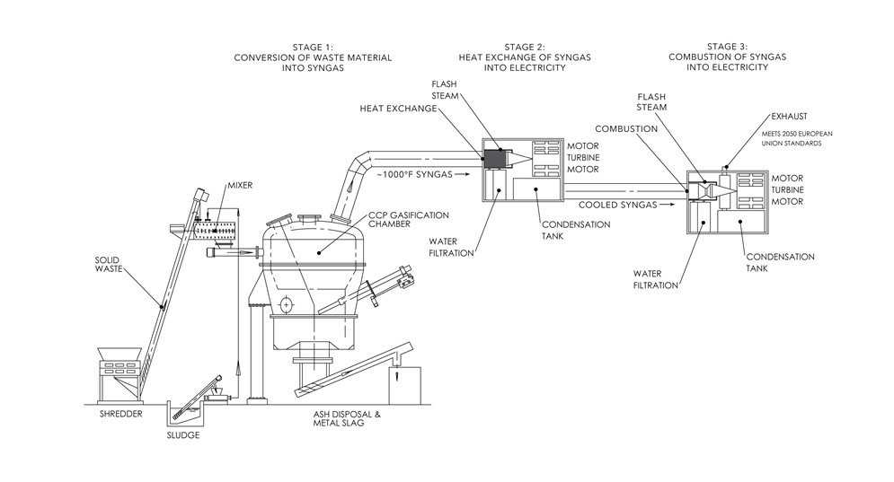
Green Frog System Process Flow

Green Frog System Gas Processing Technology

Green Frog System Gas Processing & Power Production
Green Frog System Multi-Fuel Combustion System and Turbine
-

Combustion of syngas to heat
-

Heat converted to steam
-

Steam converted to electricity
Green Frog System Technology Differentiators
Meets 2050 European Union standards for airborne emissions
Instrumentation & controls allow for millisecond adjustments to air-to-fuel ratio and real-time emissions tracking
Converts gas to electricity without expense associated with cooling, scrubbing or removing water vapor
Recovers heat from Green Frog System system to produce additional electricity
Increased efficiency via precision laser-cut parts and high-strength, light-weight carbon composite material
Academic & lab verified high-efficiency turbogenerator (>80%)
Turbine/generator easily and quickly built to any power specs
Four modular units fit into one 20-foot shipping container
Airborne emission constituents removed and recycled Example: exhaust carbon collected and pressed to form electrodes for Green Frog System Gasification System

